
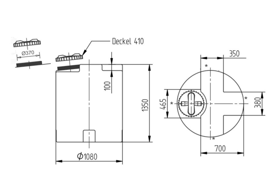
Rezervorul IB-DTE este un container dozator cilindric, inchis, fabricat din polietilena stabilizata UV si certificat ca material compatibil alimentelor. Disponibil in volume intre 35 si 1 000 litri, acesta este proiectat pentru stocarea si dozarea controlata a apei si a altor medii lichide intr-o varietate de aplicatii industriale si comerciale.

| Volum (L) | Ø exterior (mm) | Ø capac (mm) | Inaltime (mm) |
|---|---|---|---|
| 35 | 320 | 106 | 520 |
| 60 | 420 | 140 | 640 |
| 100 | 450 | 140 | 810 |
| 150 | 550 | 140 | 820 |
| 200 | 550 | 140 | 1040 |
| 300 | 650 | 160 | 1080 |
| 500 | 740 | 160 | 1230 |
| 750 | 1000 | 160 | 1200 |
| 1000 | 1080 | 410 | 1350 |
Dozarea si stocarea apei sau reactivilor in procese industriale si chimice
Sisteme de dozare in tratarea apei, epurare si statii de tratare
Aplicari alimentare / sanitare (datorita compatibilitatii materialului)
Sisteme de dozare in agricultura si horticultura
Statii de pompare, sisteme de alimentare cu lichide
Activitati de laborator, sisteme de mixare si preparare